产品分类
新闻推荐
开云(中国)

开云手机站·官方端在线入口

地  址:江苏省启东市和平南路199号
电  话:13306282819
客  服:0513-83117726
传  真:0513-83117726邮  箱:ntjr2010@126.com
网  址:www.mississippiinjurylawyerblog.com

产品中心PRODUCT CENTER
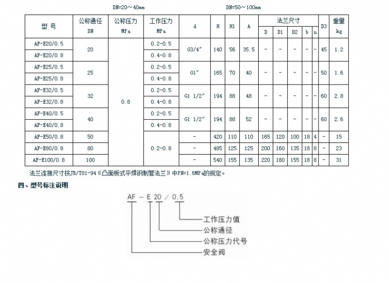
AF型安全阀(0.8MPa)
2017-7-24 点击:1466

2.JPG3.JPG